模电 中
4 放大器基础
由一个三极管与相应库组成的基本组态放大电路
4-1 放大器的基本概念
字母小写,下标大写:瞬时信号,即交流信号+直流信号
放大的原理和实质

小信号:变化幅度足够小,可以看作在工作点处呈线性
放大对象:微弱、变化的信号,又称交流小信号
放大的实质:由直流能转为交流能
功能分类:电压增益、电流增益、跨阻增益、跨导增益
放大器的性能指标
输入电阻:若放大器之前为另一级放大器,则该输入电阻为前一级的负载
输出电阻:
开路电压:,短路电流:
小信号放大器电路一般模型:为移除负载的输出电压,为负载短路的输出电流
对输入、输出电阻的要求:尽量使输入、输出不变
- 输入电压时,
- 输入电流时,
- 输出电压时,
- 输出电流时,
增益
- 电压增益
- 电流增益
- 互导增益
- 互阻增益
- 增益转换
不可用增益间互相推导
负载开路时
负载短路时
源增益:
频率响应
具有电抗元件的放大器的增益是频率的复函数:
失真
中频区增益下降到倍或3dB所对应的频率分别称为上限频率和下限频率,并把差值称为通频带
线性失真:频率失真
- 幅度失真
- 相位失真
线性失真:瞬变失真:由于电抗元件电压电流无法突变而引起的失真
非线性失真:由半导体的伏安特性非线性引起,产生了新的频率分量
4-2 基本放大器
分类:
- 双极型:共发射极、共集电极、共基极
- 场效应:共源极、共漏极、共栅极
区别:
- 双极型有源极电流,必须用戴维宁定理
- 场效应管没有栅极电流,直接分流
:不考虑
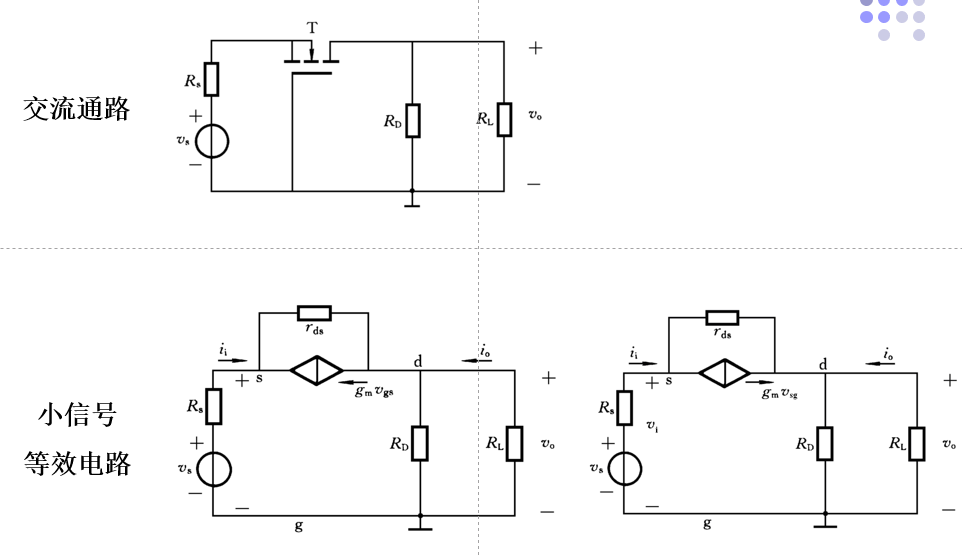
共源放大器
- 输入电阻:
- 输出电阻:
- 电压增益:

- 静态工作点:直流通路,电容断路。用于求跨导
- 电路性能:交流通路,电容短路,直流电压接地。用于求输入、输出电阻和增益
共栅放大器
- 输入电阻:
- 输出电阻:
- 电流增益:
- 电压增益:

共漏放大器
- 输入电阻:
- 输出电阻:
- 电压增益:

小结
| 性能 | 共源 | 共栅 | 共漏 |
|---|---|---|---|
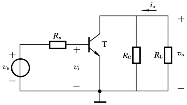
共射放大器
基本共射放大器
- 输入电阻:
- 输出电阻:
- 电流增益:
- 电压增益:

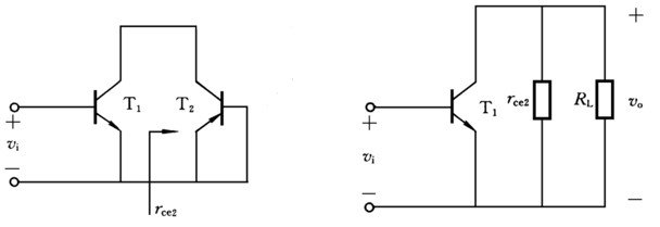
有源负载放大器
- 电压增益:

发射极接电阻的共射放大器
- 输入电阻:
- 输出电阻:
- 电流增益:
- 电压增益:

共基放大器
- 输入电阻:
- 输出电阻:
- 电流增益:
- 电压增益:
共集放大器
- 输入电阻:
- 输出电阻:
- 电流增益:
- 电压增益:
小结
| 性能 | 共射 | 共基 | 共集 |
|---|---|---|---|
集成MOS放大器
只有源极不与衬底相连时要考虑衬底效应,即源漏间的
E/E和E/D MOS放大器:只用N型
- E/E:放大器和负载均为EMOS
- E/D:放大器为EMOS,负载为DMOS
CMOS放大器
- 电流源负载CMOS放大器
- NMOS做放大管,PMOS接成电流源作负载管
- 信号加在PMOS栅极,NMOS栅极接偏置电压作负载管
- 推挽CMOS放大器
- 将电流源负载放大器中的NMOS与PMOS栅极相接作输入端
共栅放大器
共漏放大器
组合放大器
共集-共射放大器
共集-共基放大器
达林顿连接
- 同一种导电类型的BJT构成复合管时,前一只BJT的发射极接至后一只BJT的基极,以实现两次电流放大作用;等效为同一类型的BJT
- 不同导电类型的BJT构成复合管时,前一只的集电极接至后一只的基极,以实现两次电流放大作用;等效为与第一只BJT相同类型的BJT
- 要求:
- 两个BJT的电流方向必须统一,内部电机的电流流向不能冲突
- 第二只BJT的发射极必须单独引出,作为相同导电类型等效BJT的发射极,或不同导电类型等效BJT的集电极
复合管电参数
- 电流放大系数:
- 输入电阻:
- 相同类型:
- 不同类型:
复合管的改进
为提高复合管的热稳定性,一般在第二只管的基极与发射极间连接一个穿透电流泄发电阻
4-3 差分放大器
由于电路中往往噪声一致,故用差分放大器来消除噪声
4-3-1 电路结构

4-3-2 性能特点
共模信号:两信号和的一半,即均值
差模信号:两信号差
差模等效电路

电路两边对称,所以在差模输入电压作用下,两管产生等值反向的增量电流,当它们共同流入时,两管增量电流相消,流经的电流不变,因而对差模信号而言,可视为短路。
性能指标定义
- 双端增益: 双端差模输出电压对差模输入电压的比值
- 单端输出时差模电压增益:单端差模输出电压对差模输入电压的比值
- 差模输入电阻
- 差模输出电阻:单端输出时,为放大器任一输出端到地的输出电阻,而双端输出电阻则是以两端向放大器看过去的输出电阻,即为两放大器输出电阻之和。(将输入电压短路)
- 共模增益
- 共模抑制比:
指标计算
共模等效电路

电路两边对称,所以在共模输入电压作用下,两管产生等值同向的增量电流,当它们共同流入时,流经的电流翻倍,因而对共模信号而言,相当于接入。
输入共模信号时输出始终为零,所以双端共模增益为零
性能指标定义
- 共模输出电阻:单端输出电阻是任一输出端到地的输出电阻
指标计算
双极型差分放大器
4-3-3 电路两边不对称对性能的影响
双端输出时的共模抑制比
此时两输出电压不相等,故输出电压包含差模分量
,是差模输入电压转换为差模输出电压的增益,是共模输入电压转换为差模输出电压的增益
失调及其温漂:
- 输入失调电压:
- 输入失调电流:
- 输入基极电流:
失调模型和调零电路

失调电压电流的温漂
调零电路无法消除温漂
4-3-4 差模传输特性
双极性差放的差模传输特性
用理想电流源代替
时,
时,差模传输特性曲线近似为直线。时,差放进入限幅区,其中一管导通,一管截止,但要限制。
MOS差放的差模传输特性
很小时,差模传输特性斜率为常数
4-4 电流源电路及其应用
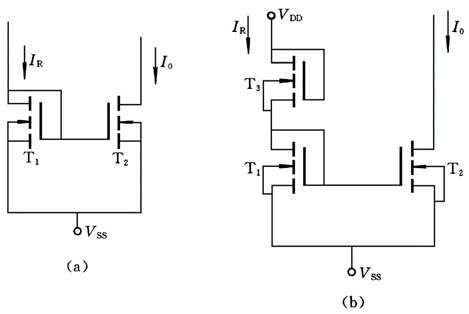
4-4-1 镜像电流源
双极性晶体管镜像电流源
基本镜像电流源电路
T1接成二极管,T2接成电流源

减小β影响的镜像电流源电路

比例式镜像电流源
集电极电流与发射极电阻成反比

微电流源

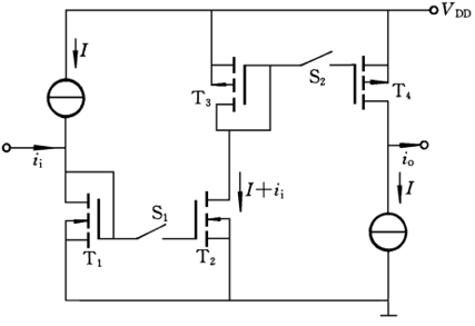
MOS镜像电流源电路
基本镜像电流源电路

动态电流镜

开关电流电路

4-4-2 其它改进型电流源电路
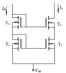
级联型电流源电路

威尔逊电流镜

4-4-3 电流源的应用
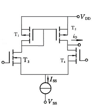
有源负载差分放大器


差模电压作用
4-5 多级放大器
4-5-1 多级放大器的基本问题
换能器的接入:
- 将换能器的输出有效地输入放大器
- 不影响放大器的静态工作点
级间连接:
- 隔直流连接:电容耦合
- 直接连接
4-5-2 多级放大器的性能指标计算
划分为多个常见电路模型
4-6 放大器的频率响应
4-6-1 复频域分析方法
传递函数法
常用复频率s进行分析,求出放大电路的电压增益、电流增益、输入阻抗和输出阻抗等关于s的方程
系统传递函数
称为标尺因子,z为零点,p为极点
一个独立电抗元件对应一对极零点
频率特性:A;频率响应:Y=AX
实数极零点的波特图和渐进波特图
常数因子:,与频率无关
极零点在原点的因子:-20log(ω)
一阶因子:
极点:,其中前一项并入标尺因子,后一项称作一阶因子的标准形式
- 时,或0dB,
- 时,或-3dB,
- 时,或,
零点:
用折线逼近的波特图,称为渐近波特图。
每个极零点的幅频特性用两条渐近线逼近:一条为零分贝水平线;一条为按描述的直线,在半对数坐标轴上这条直线的斜率是-20dB/10倍频。这两条直线在上转折。
每个极零点的相频特性用三条渐近线逼近,一条是通过点、且斜率为-45°/10倍频的直线;另两条是0°和-90°的水平线,它们分别在处转折。
起始水平线:常数因子的对数乘以20
遇到零点则斜率加,遇到极点则斜率减
相频:从开始非0,单极点斜率为-45°
计算真实增益:s替换为jω
中频增益和上下限频率
中频增益
- 方法一:直接作出幅频特性渐近波特图,图中最高幅值平坦部分的值为中频增益。
- 方法二:将传递函数直接分解成一极一零连乘形式,根据极零点位置确定其具有低通或高通特性,若具有高通特性则令s→∞,若具有低通特性则令s→0,再将各系数连乘即为中频增益。
上下限频率
- 根据定义:
- 多极无零系统:
- 重极点:,n为极点个数
- 用主极点近似求解
考虑上下限截止频率时零点往往不及极点,可以忽略
主极点:
- 低频主极点:比其它极点值都大4倍以上
- 高频主极点:比其它极点值都小4倍以上,又称主极点
波特图:
- 幅频特性:以中频段为基准,低频段+20dB/dec,高频段-20dB/dec
- 相频特性:第一个极点相移±45°,第二个极点相移±135°,以此类推
4-6-2 共源、共发放大器的频率特性
密勒定理

图(a)为输入输出端跨接阻抗Z(s)(或Y(s)=1/Z(s))的网络,它可以用图(b)来等效: ,其中A(s)=V2(s)/V1(s),即Y(s)可以用分别并接在输入输出端的导纳Y1(s),Y2(s)来代替
中频增益即小信号等效电路的电压增益(20lg)
密勒倍增因子
5 放大器中的负反馈
反馈:输出信号被送回输入端
负反馈:使得实际输入信号减小
正反馈无用(振荡器),会使得放大器自激。故反馈信号不能和输入信号同向。
5-1 反馈放大器的基本概念
5-1-1 反馈放大器的组成
输出信号
反馈系数
误差信号
反馈放大器的增益(闭环增益):
环路增益,反馈深度

反馈网络的输入端在原输出端侧
5-1-2 四种类型负反馈放大器
电压型:输出端并联;电流型:输出端串联
并联型:输入端并联,接电流源;串联型:输入端串联,接电压源
反馈信号类型一定与输入信号类型一致。
5-1-3 反馈放大器的判别
分别画出输入和输出回路
反馈元件有两种:
- 输入和输出回路共用(不认为是反馈元件)
- 跨接在输入输出之间
类型判别
分别短路输入输出
- 短路输入时,若反馈网络的输出对放大器产生影响,如,则为串联
- 短路输出时,若反馈网络有输入,则为电流
简化:
- 与输出连:电压
- 与输入连:并联
极性判别
极性主要指增益的正负
削弱净输入信号的为负反馈,增强净输入信号的为正反馈,即的正负
在闭合环路的任一处断开,并在此处假定信号极性,而后不考虑信号源,按顺时针判定信号流经该闭合环路时电压极性的转换,直到返回断开点。 若此时极性与假设相同,则为正反馈。
顺时针指先经过放大器输入,到输出,再到反馈网络输入,到输出。
经过 地 时反相,经过 * 电阻* 时不变
断开点选取:尽量使分析简化为从放大器输入端看到输出端
5-2 负反馈对放大器性能的影响
5-2-1 输入电阻
不考虑输出方式,故将输出端统一用表示
串联负反馈:输入端是基本放大器的输入与反馈网络的输出串联连接,故输入电阻增加到基本放大器输入电阻的F倍
5-2-2 增益及其稳定性
源电压增益:
增益灵敏度:
5-2-3 输出电阻
- 输出阻抗低适合输出电压
- 输入阻抗低适合输入电流
5-2-4 失真和噪声
| 反馈类型 | 输入阻抗 | 输出阻抗 | 类型 |
|---|---|---|---|
| 电压串联负反馈 | 电压增益 | ||
| 电压并联负反馈 | |||
| 电流串联负反馈 | |||
| 电流并联负反馈 | 电流增益 |
5-3 负反馈放大器的性能分析
5-3-1 负反馈放大器的分析方法
分解为基本放大器和反馈网络,须考虑反馈网络对放大器的负载效应
拆环方法:
- 考虑反馈放大器输入时,将反馈网络的输出
- 电压:短路
- 电流:开路
- 考虑反馈放大器输出时,将反馈网络的输入
- 并联:短路
- 串联:开路
电压:假设输出电流 电流:假设输出电压 并联:假设输入电流 串联:假设输入电压
假设网络的输入、输出电流,并用电压来表示之,最后将电流搬回放大器,得到反馈系数
5-3-3 深度负反馈
深度负反馈条件
或
此时:或
有:输入、输出电阻趋近于零或无穷(根据反馈类型)
虚短虚断
5-4 负反馈放大器的稳定性
5-4-1 判别稳定性的准则
自激条件:
稳定裕量:反馈放大器远离自激的程度
- 相位裕量:,为正时不自激
- 增益裕量:,为正时不自激,越大越稳定
综上,更大的相位裕度,系统更稳定,但时域响应速度也越慢。所以,工程上一般选取为45°~ 60°,此时放大器稳定且响应速度也可接受。
稳定裕量的确定
将写成,做出对应水平线:反馈增益线,其与增益波特图交点即为。
反馈增益线与幅频特性交点处的相位与180°相位的差值的绝对值越大,放大器越稳定;绝对值为0时,取到最大反馈系数。
在多极点系统中,若,则上的相角绝对值恒小于或等于135°。
5-4-2 集成运放的相位补偿技术
相位补偿技术:在基本放大器或反馈网络中添加电阻、电容等元件,修改环路增益的波特图,使得增大时能获得所需的相位裕量。
基本出发点:保证中频增益不变的情况下,增大波特图上第一和第二个极点角频率的间距。
简单电容补偿技术:
将一只补偿电容并接在集成运放中产生第一个极点频率的节点上,使第一个极点角频率自降低到。

用密勒倍增效应实现相位补偿技术
6 集成运算放大器及其应用电路
6-1 集成运算电路
6-1-1 集成运放概述
6-1-2 MOS运放核心电路
6-2 集成运放应用电路的组成原理
理想化条件
虚短虚断
分类
基本应用电路
- 反相放大器,为负向端到地间电阻
- 同相放大器,时构成同相跟随器
6-3 集成运放应用电路
6-3-1 闭环应用
闭环:反馈电路
针对不同信号,一个个分别分析
简单电路直接套模型,不能套模型的用虚短虚断
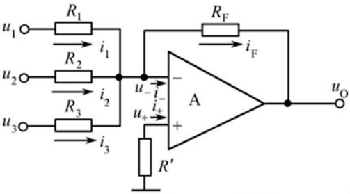
加法和减法电路
反相加法器
优点:
- 要改变权值,只要改动对应支路
- 虚地,共模小

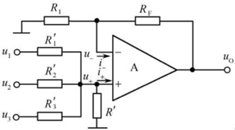
同相加法器
,其中、、、并联
缺点:
- 结果复杂
- 调试不便
- 不虚地

加法器实现的减法器

差动减法器
当时,
缺点:
- 不虚地
- 共模大
- 要选共模抑制比大的运放

积分、微分、指数、对数电路
积分运算电路

微分运算电路

对数运算电路
,其中
通常用三极管解成二极管,以增大工作区域

指数运算电路

仪器放大器
特点:
- 高共模抑制比
- 高输入阻抗
- 高放大倍数
作用:调节增益

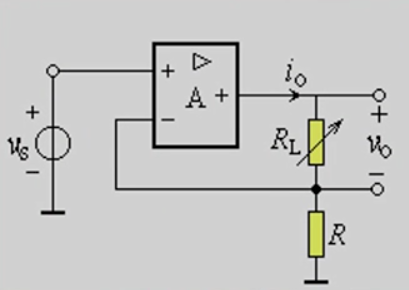
电流-电压变换器
负载电阻不变时可视为电流放大电路

电压-电流变换器
- 负载不接地

- 负载接地 ,其中须避免分母为0。

电流传输器
有源滤波器
可以带负载,可以提供增益
带通

带阻

6-3-2 开环应用
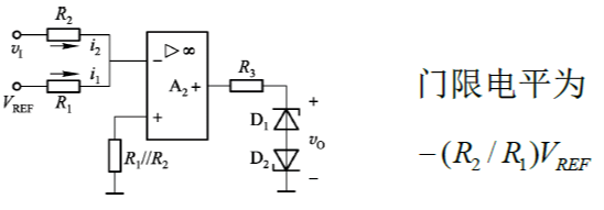
电压比较器

时输出高电平
单限电压比较器

迟滞比较器

先求输出范围,再通过电路求输入范围
输入接电容:方波发生器
6-3-2 混合应用
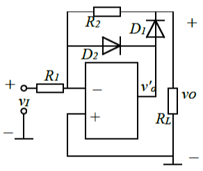
整流电路

工作原理:利用运放开环的过零比较和闭环的线性运用,有效克服二极管导通电压的影响。
F007
单位增益频率,增益为n倍时,带宽就为1/n倍