模电 下
7 振荡器
变压器的交流通路仍是变压器
起振时可认为是小信号状态
振幅起振条件:开环增益
二反相放大器增益>3
相位起振条件:
稳定条件:,
7-2 LC正弦波振荡器
7-2-1 变压器耦合振荡电路
变压器特性:同名端极性相同
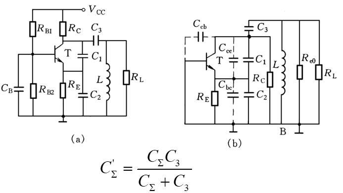
7-2-2 三点式振荡电路
三极管的三个电极分别与并联谐振回路的三个引出端点相连
- 电容三点式振荡电路:两串联电容与电感并联
- 电感三点式振荡电路:两串联电感与电容并联
BE和CE间为同性质电抗,BC为异性质,电路以发射极所接电抗类型命名
有时可以利用晶体管的等效阻抗:等效阻抗或,但其值极小,一般仅在原电路中无该类型电抗时才能使用
- LC串联电路:电路频率高于自谐振频率时呈感性
- LC并联电路:电路频率低于自谐振频率时呈感性
先画出电路的交流通路,再断开闭合环路
常将负载电阻以外的部分折算为谐振网络,以此利用谐振时谐振网络的特性来简化计算
相位起振条件常被简化为,即三电抗之和为0
振幅起振条件被简化为,其中
自给偏置
振幅增大时,发射结偏执电压将向截止方向移动,使放大器增益下降,提高了振荡的稳定性
直流偏置
注意直流时的电感的短路和电容的断路
7-2-3 差分对管振荡电路
一管趋向截止而使差模传输特性进入平坦区
正反馈从一管的输出接至同一管的输入

7-3 LC振荡器的频率稳定性
7-3-3 克拉泼振荡电路

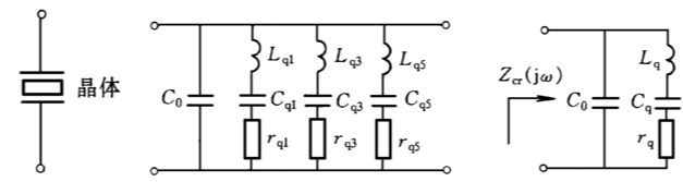
7-4 石英晶体振荡器
电压与形变形成正反馈

有串联、并联两个谐振点,串联谐振:短路;并联谐振:断路
,为石英静态电容、支架、引线组成的电容,,其两者之间的频率中的石英呈感性

7-4-3 晶体振荡电路
并联型、串联型:由三点式振荡电路加上晶体得到
并联型:晶体呈断路用来替换电感(需注意直流通路)
串联型:晶体呈短路用来替换电容
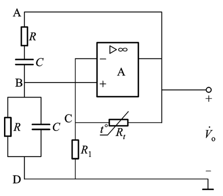
7-5 RC正弦波振荡器

一级RC电路实际能提供的最大相移不到90°
外稳幅文氏电桥振荡电路。集成运放接同相放大器,提供零相移。
开路增益:

RC串并联选频电路应与同相放大器相连
移相为0的电路的虚部为0
以上电路:
8 功率电子线路
实质是能量转换器
8-1 功率电子线路概述
8-1-1 功率放大器
性能要求
集电极效率,其中为输出功率,为直流功率,为管耗
- 甲类:全周导通,集电极效率最低
- 甲乙类:大于半周导通但不全通
- 乙类:半周导通
- 丙类:小于半周导通,集电极效率最高
8-1-2 电源变换电路
- 整流器:AC-DC
- 斩波器:DC-DC
- 逆变器:DC-AC
- 交流-交流变换器:AC-AC
8-1-3 功率器件
- 热阻:
- 最大耗散功率:
- 集电结与周围环境的热阻:,jc:结与管壳,ca:管壳与环境
- 装散热器后总热阻:
- 二次击穿:不限制电流的击穿会迅速由高压小电流转为低压大电流,且不可逆
- 功率MOS管
- 绝缘栅双极型功率管
8-2 功率放大器的电路组成和工作特性
8-2-2 甲类、乙类功率放大器的电路组成及其功率性能
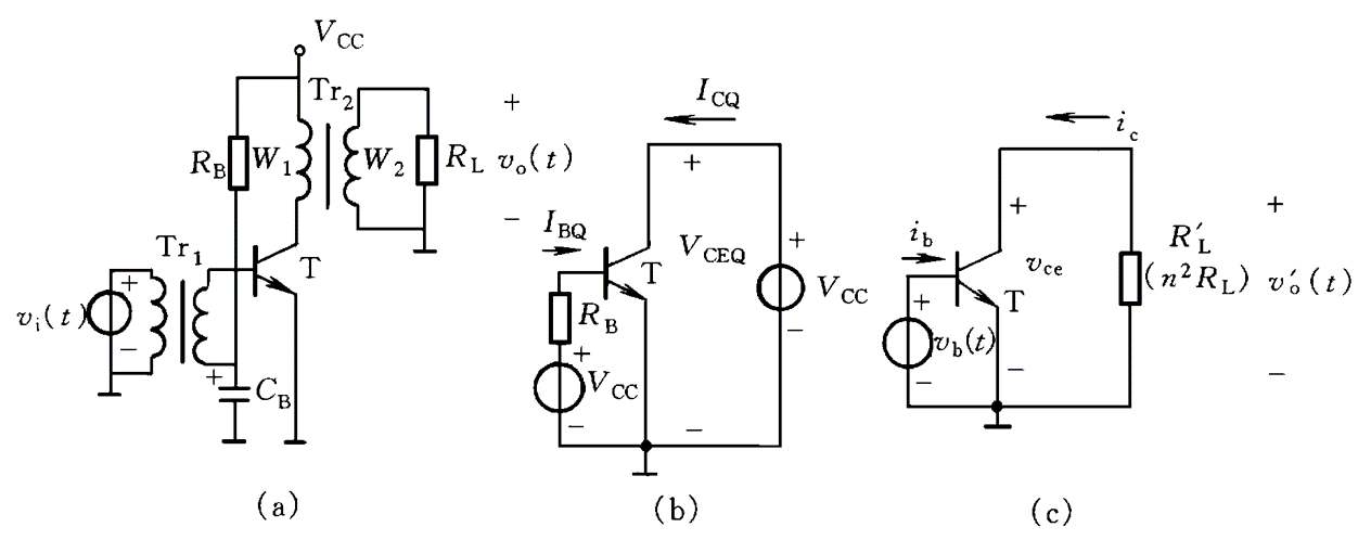
甲类变压器耦合功放

直流负载线:
直流工作点Q:直流负载线与静态电流的三线交点
信号振幅只能取左侧以保证不失真,电流振幅只能取上侧,以保证不失真
交流负载线:过Q的斜率为
直流功率:
集电极管耗:
集电极效率:
要使输出信号功率最大,Q须在交流负载线中点:
乙类推挽功放

工作原理: 未输入信号时,两管截止,输出电压为0。 加信号后,两管轮流导通。 正半周期,导通,截止,;负半周期,截止,导通,。通过负载的电流为完整的正弦波。
此处为正负电源供电!若只有一个电源则所有VCC÷2,ξ×2(即)
电源电压利用系数:
总直流功率:
集电极效率:
集电极管耗:
总功率:
8-2-3 乙类互补推挽放大器实际电路
交叉失真
管子存在导通电压
须在BE间加正偏
二极管偏置
倍增偏置电路
准互补推挽电路
复合管类型由第一个管的类型决定。例如图中T2类型与T1一致。

保护电路
为保护管

输入激励电路